Каталог товаров
Комплект унитаза Grossman GR-4455S с инсталляцией Geberit Duofix Sigma UP320 111.300.00.5 с сиденьем Микролифт
- Обзор
- Характеристики
- Отзывы0
Описание комплектации: с сиденьем Микролифт
Комплект унитаза Grossman GR-4455S с сиденьем Микролифт, инсталляцией Geberit Duofix Sigma UP320 111.300.00.5 без крепежа и клавиши смыва.
Характеристики:
Унитаз:
- Материал: санфаянс.
- Цвет: белый.
- Форма: овальная.
- Система антивсплеск.
- Антигрязевая глазурованная поверхность.
- Горизонтальный выпуск.
- Система безободкового слива.
- Жесткое быстросъемное сиденье из дюропласта, с функцией Soft-Close (микролифт).
- Монтаж: подвесной, крепление к стене.
- Размеры (ДхШхВ): 49х36.5х35 см.
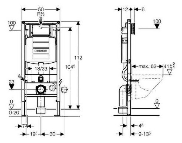
Инсталляция:
Монтажная рама:
- Встраиваемая перед стеной.
- Ширина: 50 см.
- Высота: 112 см.
- Бесступенчатая регулировка высоты ножек: 0-20 см.
- Самостопорящиеся опоры для выравнивания.
- Расстояние между болтами для монтажа унитаза: 18 или 23 см.
- Полная предварительная заводская сборка.
Функциональность:
- Бачок скрытого монтажа с фронтальным механическим управлением.
- Режим смыва: двойной или одинарный.
- Режим старт/стоп: возможность прерывания смыва в любой момент.
- Заводская установка объема смыва: 6 и 3 л.
- Диапазон настройки большого объема: 4,5/6/7,5 л.
- Диапазон настройки малого объема: 3/4 л.
- Подключение воды: 1/2 дюйма по центру сзади/сверху.
В комплекте поставки:
- Унитаз с сиденьем Grossman GR-4455S.
- Инсталляция Geberit Duofix Sigma UP320 111.300.00.5:
- Монтажная рама.
- Смывной бачок.
- Подключение к системе водоснабжения R 1/2.
- Встроенный угловой запорный вентиль и ручной маховичок.
- Трубка для подвода воды Geberit AquaClean.
- Колено смыва.
- Защитная заглушка.
- Коробка монтажная для окна обслуживания.
- Две резьбовые шпильки М12 для крепления унитаза.
- Комплект соединительных патрубков для унитаза, D 9 см.
- Фановый отвод из ПНД, D 9 см.
- Переходный патрубок, D 9/11 см.
- Крепежи к полу, для встройки в профиль.
| Производитель: | Grossman |
| Артикул: | GR-4455S+111.300.00.5 |
| Выпуск | С вертикальным выпуском, косой, в стену |
| Безободковый | Безободковый |
| Сиденье в комплекте | С сиденьем с микролифтом |
| Система антивсплеск | С системой антивсплеск |
| Цвет | Белые |
| Страна бренда | Германия |
| Ширина, мм | 365 |
| Высота, мм | 350 |
| Длина, мм | 490 |
| Материал: | Санфаянс |
| Вес: | 40 кг |
| Гарантийный срок: | унитаз-5 лет, инсталляция-10 лет |
| Материал | Фаянсовые |
| Форма | Овальные |
| Монтаж | Подвесные |
| Стилистика дизайна | С современным дизайном |
| Цвет: | Белый |
| Тип изделия | С инсталляцией в комплекте |
| Тип объекта | Для квартиры |
| Грязеотталкивающее покрытие | С грязеотталкивающим покрытием |
| Код артикула mircli | 363002 |


































